Slike ne prikazujejo vedno samo točno izbranega izdelka, ampak tudi izdelke iz iste skupine v drugih izvedbah, na primer:
- Izdelki, ki so na voljo v več dimenzijah ali imajo definirano usmerjenost so prikazani naključno.
- Pozorni bodite na različne izvedbe izdelkov (različna moč, oblika in dodatna oprema - obloga, masažni sistem, krmiljenje...)
- Barve in detajli se lahko razlikujejo glede na izbrano izvedbo.
- Dodatni deli in dekorativni predmeti na slikah niso sestavni del izdelka, npr. ventili, kadi, sifoni,... razen če je v nazivu navedeno, da gre za komplet.
- Za natančne specifikacije vedno preverite naziv izdelka in celoten opis, v primeru nejasnosti pa nas kontaktirajte.
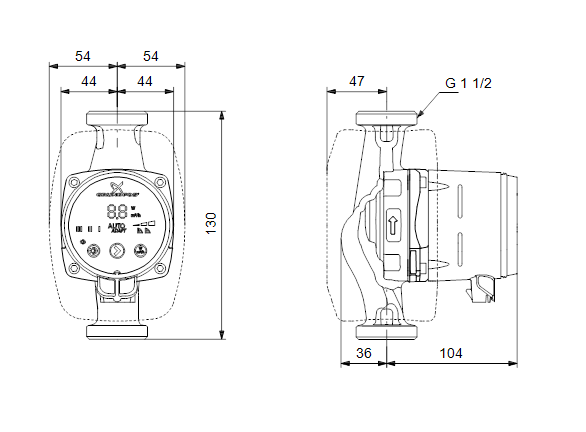
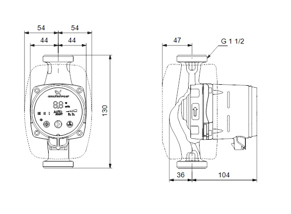
Obtočna črpalka Grundfos Alpha2 25-50 130
Ta izdelek ni del našega rednega prodajnega programa !
Če Vas dotični izdelek vseeno zanima za nakup nas kontaktirajte, da pri dobavitelju preverimo možnost posamične dobave in veljavnost cene. Navedena cena je namreč iz cenika, kateremu veljavnost je že potekla.
Uporabite iskalnik in poiščite enakovrednen izdelek iz naše redne ponudbe.
Pogoji za brezplačno dostavo po Sloveniji...
- Znesek naročila mora biti nad 150 eur
- Naslov dostave mora imeti neoviran kamionski dostop
- Velja za vse izdelke, razen tistih, pri katerih je to posebej navedeno (npr. plavalni bazeni).
- Potrebno je soglasje, da boste naročene izdelke sprejeli in da od naročila ne boste odstopili oz. ga po vplačilu spreminjali.
- Več informacij: Pogoji ugodnosti
GRUNDFOS ALPHA2 - Nova generacija majhnih obtočnih črpalk v A energijskem rezredu
Pri ALPHA2 ni zapletenih nastavitev za delovanje. Črpalko po končani montaži enostavno pustite na tovarniški nastavitvi AUTOADAPT. ALPHA2 bo avtomatično analizirala vaš ogrevalni sistem, poiskala optimalno nastavitev in svoje obratovanje sproti prilagajala spremembam odjema. Črpalka nudi največje udobje in najmanjšo porabo energije.
Poleg tega je ALPHA2 izredno prilagodljiva, zanesljiva in kompaktnejša kot katera koli druga obtočna črpalka na trgu z A energijsko oznako.
AUTOADAPT - Tovarniška nastavitev AUTOADAPT analizira ogrevalni sistem in avtomatsko prilagodi svojo nastavitev glede na potrebo po ogrevanju. Način AUTOADAPT je primeren za 80% ogrevalnih sistemov.
Kompaktna zgradba - Zaradi svoje inovativne zgradbe je ALPHA2 najkompaktnejša obtočna črpalka, ki je na voljo. Z elektroniko v ohišju je njena montaža mogoča tudi na zelo otesnjenih mestih.
A energijska oznaka - Frekvenčni pretvornik, tehnologija permanentnega magneta in kompaktn stator – vse to pozicionira črpalko ALPHA2 najvišje na energijski lestvici. ALPHA2 v primerjavi z obtočnimi črpalkami D energijskega razreda porabi do 80% manj električne energije.
ALPHA vtič - Zelo priljubljen ALPHA vtič, ki omogoča posebej enostavno priključitev in je edinstven na trgu.
Upravljanje z enim dotikom - Enostavna nastavitev črpalke z enim dotikom.
LED prikazovalnik - Pregleden LED prikazovalnik stalno prikazuje trenutno porabo energije.
Avtomatsko nočno znižanje - Funkcija samodejnega nočnega znižanja zmanjša porabo energije na minimum pri kotlih z varčevalno funkcijo.
Ostali podatki:
A083257 - naročanje možno v količini s faktorjem po 1.00 KOS
CRPALKA GRUNDFOS ALPHA2 32-80 180 1x230V 6h NOVA
Dokumenti za več podrobnosti:
Niste prepričani, potrebujete pomoč?
Kontaktirajte nas, tu smo da odgovorimo na vsa Vaša vprašanja.
Splošna vprašanja | Rok dobave in dodatne informacije o tem izdelku

Proizvajalec oz. blagovna znamka: GRUNDFOS
Ko govorimo o vrhunski kakovosti v svetu ogrevanja je ime Grundfos prva misel vsakega mojstra. Ta danski velikan že desetletja postavlja standarde za obtočne črpalke, ki premikajo meje mogočega. Čeprav jih pogosto povezujemo z nemško natančnostjo zaradi njihove močne prisotnosti v evropski industriji, Grundfos v sebi nosi skandinavski čut za dizajn, trajnost in inovacije.
Zakaj izbrati črpalke Grundfos?
Grundfos ni le proizvajalec, je sinonim za energetsko učinkovitost. Njihove črpalke, kot sta legendarni seriji UPS in UPS Basic ter novejši ALPHA in MAGNA ter SCALA so zasnovane tako, da "razmišljajo" namesto vas. Njihov asortiman zajema vse od malih hišnih obtočnih črpalk do večjih sistemov prečrpavanja tudi odpadnih voda in fekalij. Črpalke, ki so opremljne s funkcijo AUTOADAPT analizirajo potrebe vašega sistema in prilagodi jo svoje delovanje, kar pomeni:
🌿 Izjemen prihranek: Manjša poraba elektrike pomeni nižje račune.
🤫 Popolna tišina: Pozabite na nepotrebno šumenje.
🛠️ Dolga življenjska doba: Brezskrbno delovanje več desetletij.
Trajnost v vsakem obratu
Grundfos se zavzema za varovanje vodnih virov in zmanjšanje ogljičnega odtisa. Z izbiro njihove črpalke ne poskrbite le za toplo zavetje, temveč tudi za čistejšo prihodnost. Na INSTAL.si smo ponosni, da Vam lahko ponudimo te vrhunske naprave, ki združujejo moč, pametno tehnologijo in neprekosljivo zanesljivost.
Cene veljajo do objave novega cenika. Vsa gradiva so avtorsko zaščitena in so v lasti proizvajalca oz pooblaščenega partnerja za posamezno blagovno skupino. Slike so lahko simbolične, dekorativni predmeti na slikah pa niso vključeni v ponudbo in ne morejo biti predmet naročila. Pridružujemo si pravico do napak.

