Slike ne prikazujejo vedno samo točno izbranega izdelka, ampak tudi izdelke iz iste skupine v drugih izvedbah, na primer:
- Izdelki, ki so na voljo v več dimenzijah ali imajo definirano usmerjenost so prikazani naključno.
- Pozorni bodite na različne izvedbe izdelkov (različna moč, oblika in dodatna oprema - obloga, masažni sistem, krmiljenje...)
- Barve in detajli se lahko razlikujejo glede na izbrano izvedbo.
- Dodatni deli in dekorativni predmeti na slikah niso sestavni del izdelka, npr. ventili, kadi, sifoni,... razen če je v nazivu navedeno, da gre za komplet.
- Za natančne specifikacije vedno preverite naziv izdelka in celoten opis, v primeru nejasnosti pa nas kontaktirajte.
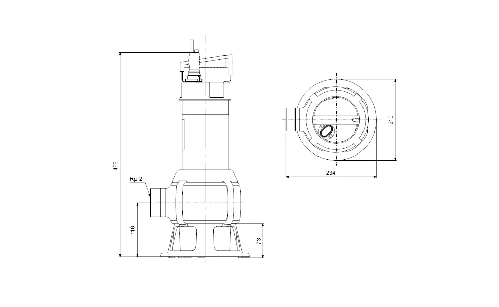
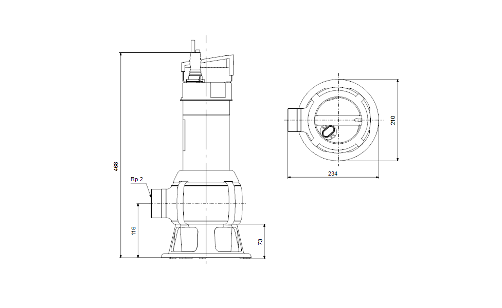
Potopna črpalka Grundfos Unilift AP 50B.50.11.A1.V 230V, 10m SCHUKO za fekalije
Ta izdelek ni del našega rednega prodajnega programa !
Če Vas dotični izdelek vseeno zanima za nakup nas kontaktirajte, da pri dobavitelju preverimo možnost posamične dobave in veljavnost cene. Navedena cena je namreč iz cenika, kateremu veljavnost je že potekla.
Uporabite iskalnik in poiščite enakovrednen izdelek iz naše redne ponudbe.
Pogoji za brezplačno dostavo po Sloveniji...
- Znesek naročila mora biti nad 150 eur
- Naslov dostave mora imeti neoviran kamionski dostop
- Velja za vse izdelke, razen tistih, pri katerih je to posebej navedeno (npr. plavalni bazeni).
- Potrebno je soglasje, da boste naročene izdelke sprejeli in da od naročila ne boste odstopili oz. ga po vplačilu spreminjali.
- Več informacij: Pogoji ugodnosti
Unilift AP50B.50.11.A1.V - Potopna črpalka za umazane vode
Vertikalna enostopenjska potopna črpalka iz nerjavečega jekla z integriranim potopnim 1-faznim motorjem. Primerna za črpanje površinskih voda, podtalnice, odpadnih voda ipd..
- prilagojen montažni obroč in nosilni ročaj
- dolžina napajalnega kabla 10m
- nivojsko stikalo za avtomatski vklop in izklop
- VORTEX tekač primeren za prosti prehod do 50 mm velikosti delcev
- dvojno tesnenje osi z vmesno oljno komoro (napolnjena z nestrupenim oljem)
- F izolacijski razred motorja, ter zaščita pred toplotno obremenitvijo
- tlačni izhod R 2"
- možna prostostoječa montaža ali na sistem za avtomatski priklop
Tehnični podatki:
- max. tlačna višina 14m
- max. vgradna globina 2m
- max pretok 7.78 l/s
- max. temp. medija: 40 °C
Ostali podatki:
A038135 - naročanje možno v količini s faktorjem po 1.00 KOS
CRPALKA GRUNDFOS UNILIFT AP50B.50.11.A1.V 1x230V 10m SCHUKO
Dokumenti za več podrobnosti:
Niste prepričani, potrebujete pomoč?
Kontaktirajte nas, tu smo da odgovorimo na vsa Vaša vprašanja.
Splošna vprašanja | Rok dobave in dodatne informacije o tem izdelku

Proizvajalec oz. blagovna znamka: GRUNDFOS
Ko govorimo o vrhunski kakovosti v svetu ogrevanja je ime Grundfos prva misel vsakega mojstra. Ta danski velikan že desetletja postavlja standarde za obtočne črpalke, ki premikajo meje mogočega. Čeprav jih pogosto povezujemo z nemško natančnostjo zaradi njihove močne prisotnosti v evropski industriji, Grundfos v sebi nosi skandinavski čut za dizajn, trajnost in inovacije.
Zakaj izbrati črpalke Grundfos?
Grundfos ni le proizvajalec, je sinonim za energetsko učinkovitost. Njihove črpalke, kot sta legendarni seriji UPS in UPS Basic ter novejši ALPHA in MAGNA ter SCALA so zasnovane tako, da "razmišljajo" namesto vas. Njihov asortiman zajema vse od malih hišnih obtočnih črpalk do večjih sistemov prečrpavanja tudi odpadnih voda in fekalij. Črpalke, ki so opremljne s funkcijo AUTOADAPT analizirajo potrebe vašega sistema in prilagodi jo svoje delovanje, kar pomeni:
🌿 Izjemen prihranek: Manjša poraba elektrike pomeni nižje račune.
🤫 Popolna tišina: Pozabite na nepotrebno šumenje.
🛠️ Dolga življenjska doba: Brezskrbno delovanje več desetletij.
Trajnost v vsakem obratu
Grundfos se zavzema za varovanje vodnih virov in zmanjšanje ogljičnega odtisa. Z izbiro njihove črpalke ne poskrbite le za toplo zavetje, temveč tudi za čistejšo prihodnost. Na INSTAL.si smo ponosni, da Vam lahko ponudimo te vrhunske naprave, ki združujejo moč, pametno tehnologijo in neprekosljivo zanesljivost.
Cene veljajo do objave novega cenika. Vsa gradiva so avtorsko zaščitena in so v lasti proizvajalca oz pooblaščenega partnerja za posamezno blagovno skupino. Slike so lahko simbolične, dekorativni predmeti na slikah pa niso vključeni v ponudbo in ne morejo biti predmet naročila. Pridružujemo si pravico do napak.

