Slike ne prikazujejo vedno samo točno izbranega izdelka, ampak tudi izdelke iz iste skupine v drugih izvedbah, na primer:
- Izdelki, ki so na voljo v več dimenzijah ali imajo definirano usmerjenost so prikazani naključno.
- Pozorni bodite na različne izvedbe izdelkov (različna moč, oblika in dodatna oprema - obloga, masažni sistem, krmiljenje...)
- Barve in detajli se lahko razlikujejo glede na izbrano izvedbo.
- Dodatni deli in dekorativni predmeti na slikah niso sestavni del izdelka, npr. ventili, kadi, sifoni,... razen če je v nazivu navedeno, da gre za komplet.
- Za natančne specifikacije vedno preverite naziv izdelka in celoten opis, v primeru nejasnosti pa nas kontaktirajte.
Skupina izdelkov Terma radiatorji, Spiro
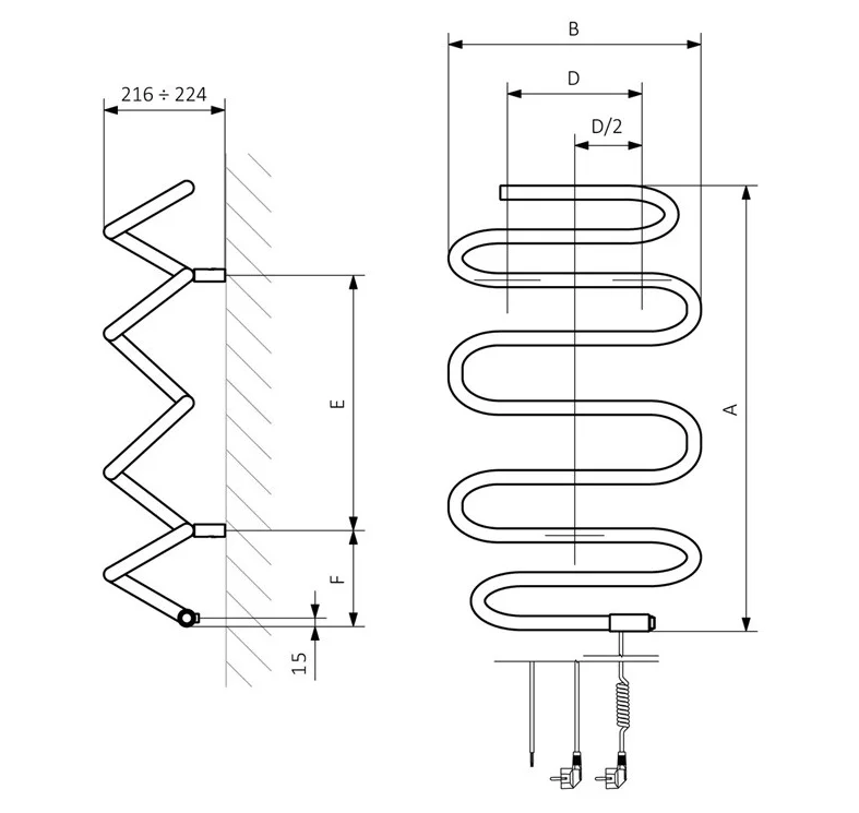
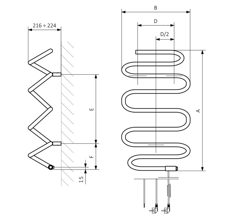
Design stilski grelnik oz. sušilec brisač TERMA SPIRO - je električna izvedba radiatorja nižje moči, posebej namenjenega za segrevanje oz sušenje brisač v kopalnici in drugega perila.
Interaktivni 3D ogled radiatorja
Razpoložljive dimenzije radiatorja:
- višina 566, 794 ali 1062 mm
- širina 450 mm
- cevi dimenzije fi 25 mm
Barvne možnosti:
- vse standardne barve RAL
- določene specialne barve
- krom (extra doplačilo)
Standardne možnosti priklopa:
- E7 električni priklop
Cena velja za osnovno izvedbo radiatorja v vseh standardnih RAL barvah, vključno z integriranim grelcem.
TERMA DESIGN radiatorji se dobavljajo po naročilu!
Pri naročilu Vam z veseljem pomagamo izbrati prave kriterije glede na Vaše želje (velikost, barva, način priklopa, grelni element,...)
Dobavni rok je 6-12 tednov po vplačilu
- Izdelava po meri kupca
- Odstop od naročila ali naknadna sprememba ni možno
Vse slike so simbolične in prikazujejo obliko radiatorja v naključni barvi in dimenziji ter lastnosti ene od opcij možnih kombinacij. Ventili za priklop in električni grelci ter ostali dodatki (obešala) so praviloma dobavljivi ločeno in za doplačilo, v sklopu radiatorja pa je vedno že zajet pribor za pričvrstitev na steno. Podatki o moči radiatorja so podani za režim 75/65/20.
Odzračevalni čepek je vedno pozicioniran zgoraj desno.
V določenih primerih se lahko zgodi, da pride do zavrnitve izdelave radiatorja glede na izbrane parametre zaradi tehničnih omejitev pri dimenzijah, nadgradnji, načinu priklopa, električnem grelu in barvi.
Skupino zastopajo naslednji izdelki:
Prodajna skupina Spiro je del programa Terma radiatorji / TERMA HEAT, ki je zastopan tudi z:
Aero HGAngus VCase Slim GraphicsLenaSherwood HSherwood V / ETriga / ETune VWS / EWarp T Bold / ONERolo Room / E več ...
Niste prepričani, potrebujete pomoč?
Kontaktirajte nas, tu smo da odgovorimo na vsa Vaša vprašanja.

Proizvajalec oz. blagovna znamka: TERMA HEAT
TERMA HEAT – Proizvajalec modernih in dizajnerskih radiatorjev
TERMA HEAT je priznano podjetje, ki že od leta 1990 navdušuje s svojo ponudbo modernih, stilskih in dizajnerskih radiatorjev. Če iščete sodoben radiator za kopalnico ali drug prostor v vašem domu, je TERMA prava izbira. Podjetje je danes eno vodilnih proizvajalcev kakovostnih kopalniških radiatorjev v Evropi, poznano po inovativnih rešitvah in izjemni prilagodljivosti.
Glavna prednost radiatorjev TERMA je v pestri izbiri različnih oblik in modelov. V ponudbi boste našli tako klasične kot tudi popolnoma unikatne dizajn radiatorje, ki bodo vašemu prostoru dali poseben pečat. Poleg tega lahko izbirate med skoraj neomejenimi barvnimi kombinacijami, ki so že vključene v osnovno ceno radiatorja. Le za kromirane in posebne barve je potrebno doplačilo. S tem TERMA HEAT omogoča, da vsak kupec najde popoln in modern radiator, ki se popolnoma ujema z njegovim stilom in željami.
Vsi radiatorji TERMA so izdelani po naročilu, kar pomeni, da dobite izdelek, ki je resnično prilagojen vašim potrebam. Med proizvodnjo poteka redna kontrola kakovosti, vsak radiator pa je tudi testiran s priklopom, da je zagotovljeno brezhibno delovanje. Za varnost med transportom so radiatorji skrbno zapakirani v kartonsko embalažo in zaščiteni s stiroporjem.
Če iščete moderen, stilski ali dizajnerski radiator, ki bo polepšal vaš dom in hkrati poskrbel za prijetno toploto, je TERMA odlična izbira. Zaupajte proizvajalcu, ki združuje kakovost, inovativnost in prilagodljivost po dostopni ceni.
Na radiatorje nudijo do 12 let garancije za vodotesnost in do 2 leti na grelne elemente.
Ne spreglejte še preostalih video vsebin na TERMA YouTube kanalu...
Dokumenti za več podrobnosti:
Cene veljajo do objave novega cenika. Vsa gradiva so avtorsko zaščitena in so v lasti proizvajalca oz pooblaščenega partnerja za posamezno blagovno skupino. Slike so lahko simbolične, dekorativni predmeti na slikah pa niso vključeni v ponudbo in ne morejo biti predmet naročila. Pridružujemo si pravico do napak.

